I build realtime control systems from first principles. Embedded firmware, wireless stacks, reinforcement learning, Unity simulators. Programming for 7+ years, professionally since 2021.
🏆 Winner of the Yale SEA Most Outstanding STEM Exhibit - Unga Forskare 2026 National Final
My personal projects include embedded C++, Unity simulators and multiplayer-solutions, full-stack RC systems, synthetic data generation in Unity.
Currently in my final year at Hulebäcksgymnasiet (Teknikprogrammet), a Swedish upper-secondary school, graduating 2026.
A quadrotor built entirely from scratch with a live SAC reinforcement learning agent tuning roll-controller gains in real time and a Unity HDRP digital twin mirroring live telemetry.
- Custom ESP32 flight controller with cascaded PID, Madgwick AHRS, and biquad filters (250 Hz loop)
- Full wireless chain: Flutter app -> BLE -> Raspberry Pi -> LoRa -> ESP32 (+ direct BLE for RL)
- SAC RL agent tuning PID gains in real time on the physical drone, no sim-to-real transfer
- Custom single-axis test rig for safe RL training with live propellers
- Unity HDRP digital twin with Fusion 360 models, mirroring live IMU telemetry over UDP
- Winner of the Yale SEA Most Outstanding STEM Exhibit - Unga Forskare 2026 National Final (Sweden's Young Researchers national championship)
🏅 Official winners list (Swedish)
🗞️ Winners announcement with photos (LinkedIn) (Swedish)
"The project stands out through a very high level of technical ambition. The custom-built flight controller, the distributed communication chain, and the well-designed failsafe solution demonstrate a deep understanding of real-time systems, control theory, and system safety. The methodology is exemplarily clear and reproducible." - Translated research jury feedback, Unga Forskare 2026
"In this project, the team members refused to take any shortcuts whatsoever. By rejecting ready-made frameworks and instead building everything from scratch, from communication to software, this work has demonstrated a technical dedication beyond the ordinary." - Winners catalogue, Unga Forskare 2026 (translated) - Link (Swedish)
📰 Press: Hulebäcksgymnasiet news (Swedish), School video (Swedish), Local press (Swedish)
Repo: PidraQRL
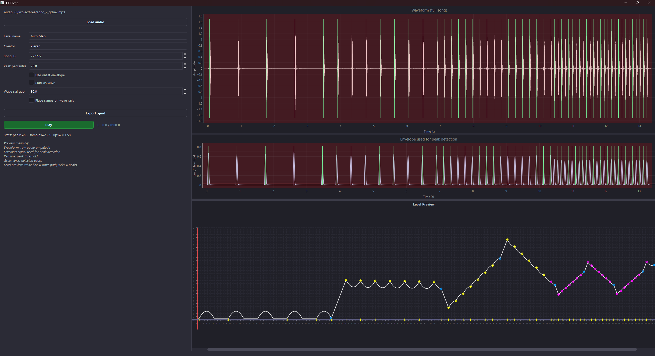
Generates a playable Geometry Dash level from any song using beat detection and physics simulation.
- Analyzes audio to detect beats and uses them to drive level generation
- Cube mode simulates ballistic arc physics reverse-engineered from observed in-game behavior
- Wave mode generates a diagonal path with rails and ramps sampled by arc length
- Reverse-engineered the
.gmdformat used by the GDShare mod to write valid level files importable directly into GD - PyQt GUI with synchronized audio waveform and level geometry preview
Repo: GDForge
Software Developer - CPAC Systems - Recurring, 2021-2025
Five paid internships starting at age 15 across four years building internal tools and simulators in C#, Python, and Unity.
- Optimized a Unity simulator, doubling frame rate
- Built a Python diagnostics tool adopted by senior engineers for root cause analysis
- Built a license management service (HTML, CSS, JS)
- Developed machine simulations with custom mesh generation in Unity
- Refactored Perl codebases and worked on a web application (HTML, SCSS, TypeScript)
Embedded systems: C++, Arduino, PID control, IMU data filtering and handling, Fusion 360
Simulation & Graphics: Unity, C#, procedural generation (noise combining), Blender
App: Flutter (dart), React, Python
AI: Reinforcement learning, YOLO, Torch, dataset generation
Languages: Swedish (native), English (fluent), French (basic)



